Industrielles Schranktürschlossist die wichtigste Schutzkomponente von Verteilerschränken, Kommunikationsschränken, Steuerkästen und anderen Geräten, die in direktem Zusammenhang mit der Sicherheit interner elektrischer Komponenten und dem stabilen Betrieb des Systems steht.
Um den unterschiedlichen Anforderungen an Lieferzeiten und Spezifikationen für verschiedene Projekte gerecht zu werden, hat unser Unternehmen immer fünf Arten häufig verwendeter Schlösser auf Lager:Langes Stangenschloss, Bedienfeldsperre, Stangenkontrollsperre, Griffsperre,Drehbares Zungenschloss. Gleichzeitig unterstützen wir jedes nicht standardmäßige Schloss, das nach Zeichnungen oder Mustern individuell angepasst wird und perfekt für alle Arten von Metallverteilerkästen geeignet ist.
Flugzeugschlösser sind eine der gebräuchlichsten Arten von industriellen Schranktürschlössern, die sowohl schön als auch pflegeleicht sind. Unser Unternehmen hat die Flugzeugverriegelung der Serien AB301, AB302, AB303, AB402 und AB403 auf den Markt gebracht. Aufgrund der strukturellen Festigkeit, der Schutzleistung und des Bediengefühls des differenzierten Designs können die unterschiedlichen Spezifikationen des Verteilerkastens und die Installationsanforderungen des Schaltschranks erfüllt werden.
| Abmessungen | Produktnummer | |||||||
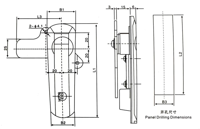
| L1 | L2 | L3 | B1 | B2 | Graue Verchromung | Graue Sprühfarbe | Schwarz pulverbeschichtet | Gewicht (g) |
| 147 | 117 | 72 | 33 | 26.5 | AB301-1-1.2 | AB301-1-1.8 | AB301 | 370 |
| 120.5 | 95.5 | 65 | 30 | 23.5 | AB301-2-1.2 | AB301-2-1.8 | AB302 | 290 |
| 87.5 | 62.5 | 65 | 28.5 | 23.5 | AB301-3-1.2 | AB301-3-1.8 | AB303 | 215 |
Hauptmaterial: Zinklegierung.
Oberflächenbehandlung: Glanzchrom, Matt, Schwarz.
Funktion und Verwendung: Ermöglicht das Öffnen der linken und rechten Tür, einfach zu bedienen, mit Dichtungs- und wasserdichter Funktion.
Hauptmaterial: Zinklegierung.
Oberflächenbehandlung: Glanzchrom, Matt, Schwarz.
Funktion und Verwendung: Ermöglicht das Öffnen der linken und rechten Tür, einfach zu bedienen, mit Dichtungs- und wasserdichter Funktion.
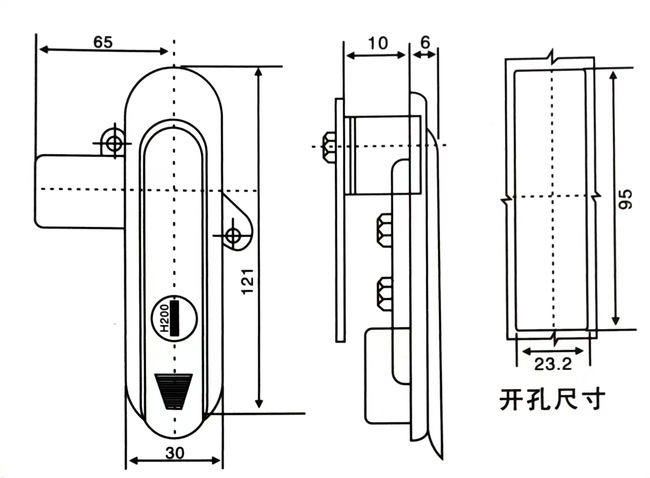
Material: Schlosskörper aus Zinklegierung, rotierende Welle, Bolzen aus verzinktem Stahl, Druckplatte.
Oberflächenbehandlung: silbergraues Nanospray.
Strukturbeschreibung: Zum Öffnen oder Verriegeln um 90 Grad drehen.
| MODELL | L1 | L2 | L3 | B1 | B2 | B3 |
| NEU AB402-A | 123 | 95.5 | 65 | 36.5 | 30 | 23.5 |
| NEU AB403-A | 91 | 62.5 | 65 | 33 | 28.5 | 23.5 |
| NEU AB401-A | 151 | 117 | 72 | 36 | 30 | 26.5 |
